1、
第18届CaTICs竞赛顺利举办
2、
第17届CaTICs竞赛首次采用关卡型考试系统
3、
第16届CaTICs竞赛顺利举办
4、
第15届CaTICs网络赛顺利举办
5、
第14届CaTICs网络赛顺利举办
6、
第13届CaTICs网络赛成功举办
7、
第13届CaTICs网络赛通知
8、
第12届CaTICs网络赛成功举办(图文)
9、
第12届CaTICs网络赛竞赛通知
10、
第11届CaTICs网络赛成功举办
上一个
下一个
|
报名入口
|
联系我们
|
13621117339
您好,欢迎来到 CaTICs 大赛网!
网站首页
大赛通知
赛事动态
赛题解析
ν
◆
CaTICs - 2D
CaTICs - 3D
优胜名单
ν
◆
CaTICs 现场赛
CaTICs 网络赛
访问新届次
联系我们
赛事介绍
CaTICs赛事简介
网络比赛细则
参赛指南
CaTICs - VI
常见问题答疑
相关使用说明
其他问题
费用缴纳
大赛报名方式
支付方式
发票说明
其他
资料下载
诚聘英才
现场赛授权
快速入口
2D-CAD
3D-CAD
参赛指南
报名入口
赛题解析
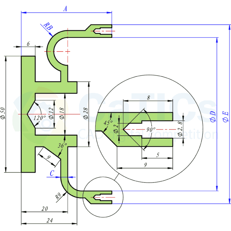
2D02_09
题目简介:
题目:
参照图绘制图形,注意其中的对称、相切等几何关系,凡未特别标注的区域壁厚均为C。
参数:
A=39, B=9, C=3, D=66, E=77
问题:
图形的面积是多少?
答案:
点击此处
与标准答案相对误差在正负0.5%以内视为正确。
图形的面积是多少?
(标准答案:
745.26
)
请登陆后再进行提交和模型下载。
目前共有
人提交作答。(点击查看全部作答)
用户名:
密码:
验证码:
匿名发表